The oscillating action of the deep-hole drilling tool breaks the chips into fine granules, eliminating the chip problem and affording longer drill life through cooler running. In addition, finer finishes, closer tolerances, and better concentricity are maintained. The oscillating motion is derived from a flutter or wave cam built into the tool. It oscillates .006″, three times per revolution of the drill.
The tool is driven by the drill speeder spline shaft. In order to cut freely, a drill must run at the highest surface speed possible without burning the drill. If the spindle speed of the job is not high enough, the revolving type tool is used to increase sfm. By revolving the drill in the opposite direction from the spindle, it is possible to attain improvement in concentricity. It will also afford faster cycle time and longer drill life.
Variations in drill speed can be obtained by utilizing the various gear ratios available on the drill speeder drive of the machine.
Four sizes of Boyar-Schultz Oscillating Drilling Tools are available.
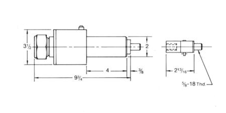
| Model | 70MRDA |
| Ordering Number | 9400B |
|
Specifications |
|
| Type | Revolving |
| Screw Machine Capacity | 1-1/4 and larger |
| Rise | .006” |
| Oscillations Per Revolution | 6 |
| Collet* | Erickson #400 |
| Drill Capacity | 3/32 to 1.0 |
| * Collets not furnished with tool holders. | |
|
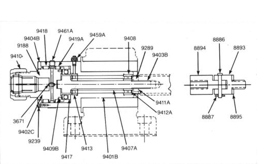
Replacements Parts |
|
| Holder Screw | 3671 |
| Shear Pin | 8886 |
| Cotter Pin | 8887 |
| Driver | 8893 |
| Coupling | 8894 |
| Spacer Washer | 8895 |
| Set Screw (4 Reqd.) | 9188 |
| Cover Screw (6 Reqd.) | 9239 |
| Lock Nut Screw | 9289 |
| Body | 9401B |
| Tool Holder | 9402C |
| Drive Shaft | 9403B |
| Retaining Cover | 9404B |
| Bearing Spacer | 9407A |
| Ball Bearing | 9408 |
| Bearing Retaining Pin (Reqd.) | 9409B |
| Collet Nosepiece | 9410 |
| Bearing Lock Nut | 9411A |
| Bearing Washer | 9412A |
| Ball Bearing | 9413 |
| Cam Bearing | 9417 |
| Needle Roller (43 Reqd.) | 9418 |
| Needle Roller (43 Reqd.) | 9419A |
| Oil Cup | 9459A |
| Pipe Plug | 9461A |
|
Other Sizes Available |
||
| Model | 9420B | 8975 |
| Type | Non-Revolving | Revolving |
| Machine Size | 1-1/4 & Larger | 7/16 & 9/16 |
| Capacity | 15/32 – 1.0 | 1/64 – 1/4 |