Lester Detterbeck Enterprises Ltd.

Model 3RR

Model 3RR

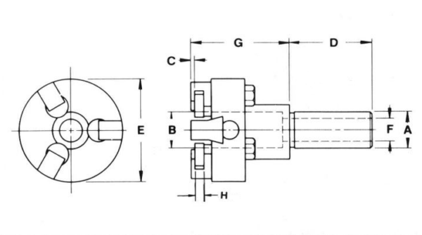
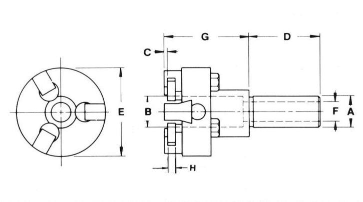
Roller rests are used in screw machines, turret lathes and CNC lathes to provide support for a workpiece undergoing a cross slide operation. 

Hardened, precision free-turning rollers eliminate galling and marring of the workpiece.

With a third roller, you get more stability and less chatter. Rollers are individually adjustable to compensate for workpiece misalignment and wear. A third roller rest gives more stability to the work-piece when cutting long pieces.

Category
Model OORR ORR
Ordering Number 5500 5525
 

Dimensions

Support Capacity 3/32 to 1/2 1/4 to 5/8
A 5/8 3/4
B 5/16 3/8
C 1-15/16 2-1/16
D 1-1/2 1-7/16
E 1-1/2 1-11/16
F 1 1-1/16
G 1-3/16 1-1/2
H 3/8-24 7/16-20
 

Replacement Parts

Body 5501A 5526
Roller Block Assy., Right** 5506 5531
Roller Block Assy., Left** 5507 5532
Roller Block Nut (2 Reqd.) 7869 6232
Roller Block Washer (2 Reqd.) 5511 5743
Brushing Lock Screw 6234 6344
Roller & Pin Assy.* 105197 105198
  • *Included in Roller Block Assy. See Tooling Components for complete list of parts.
  • **Roller Block Assy. consists of Roller Block, Roller, Roller Pin, and Lock Screw.
 

Looking for a specific part?

Get in touch so we can assist you.