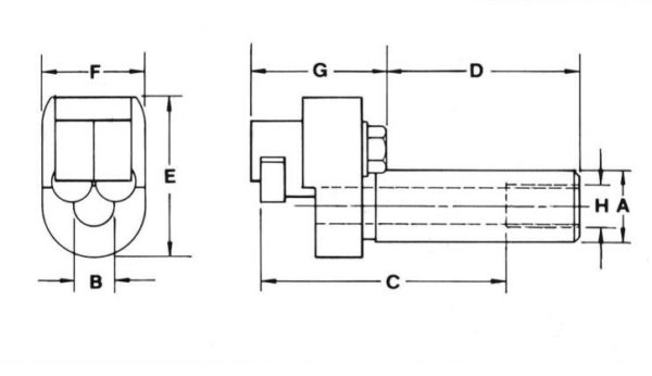
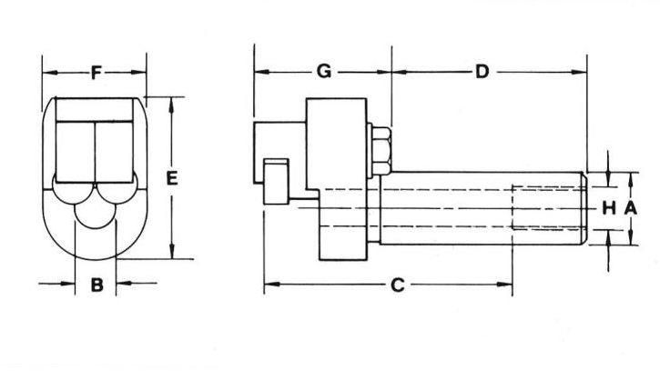
Roller rests are used in screw machines and turret lathes to provide support for a workpiece undergoing a cross slide operation.
Hardened, precision free-turning rollers eliminate galling and marring of the workpiece. Rollers are individually adjustable to compensate for workpiece misalignment and wear. The end of the shank is tapped to accept a stop screw to permit adjustment without disturbing tool set-up.
| Model | OORR | ORR |
| Ordering Number | 5500 | 5525 |
|
Dimensions |
||
| Support Capacity | 3/32 to 1/2 | 1/4 to 5/8 |
| A | 5/8 | 3/4 |
| B | 5/16 | 3/8 |
| C | 1-15/16 | 2-1/16 |
| D | 1-1/2 | 1-7/16 |
| E | 1-1/2 | 1-11/16 |
| F | 1 | 1-1/16 |
| G | 1-3/16 | 1-1/2 |
| H | 3/8-24 | 7/16-20 |
|
Replacement Parts |
||
| Body | 5501A | 5526 |
| Roller Block Assy., Right** | 5506 | 5531 |
| Roller Block Assy., Left** | 5507 | 5532 |
| Roller Block Nut (2 Reqd.) | 7869 | 6232 |
| Roller Block Washer (2 Reqd.) | 5511 | 5743 |
| Brushing Lock Screw | 6234 | 6344 |
| Roller & Pin Assy.* | 105197 | 105198 |