Adjustable pointing tools are used to point, form or face the end of a workpiece. The blank bushing furnished can be machined to size for proper support of the workpiece. The shank mounts in the turret of a screw machine, turret lathe, or in the turret of a screw machine, turret lathe, or CNC lathe. The tool is adjustable to accurately compensate for misalignment between turret and spindle. This universal tool can be used for right-or-left-hand operation simply by reversing the tool bit.
These features make it a superior tool:
•Universal, the same tool can be used for right-or-left-hand jobs. Four easily accessible set screws bring in tool bit from right to left.
•Adjustable to compensate for misalignment between turret and spindle.
•Special rectangular FLAT tool can be ground with four shapes which can be sharpened by taking a cut off the flat side, like a flat form tool.
•Easy adjustment brings tool back to center after sharpening.
•Used for turning diameters smaller than can be turned with box tools.
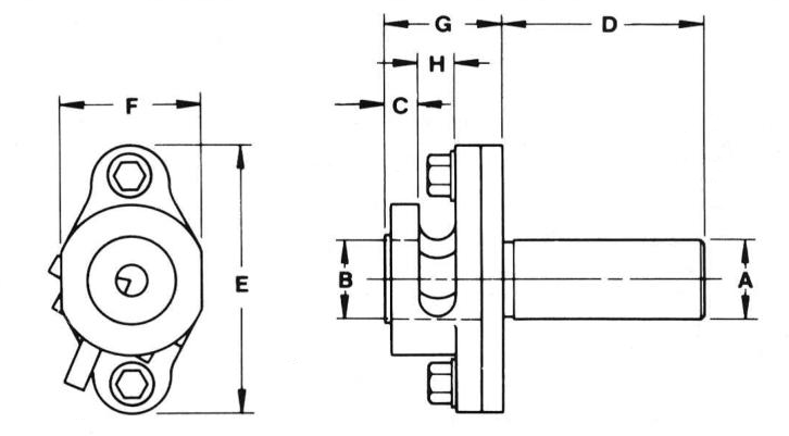
| Model | 00AP | 0AP | 2AP |
| Ordering Number | 6500 | 6525 | 6550 |
|
Dimensions |
|||
| A | 5/8 | 3/4 | 1 |
| B | 1/2 | 3/4 | 1 |
| C | 5/16 | 7/16 | 7/16 |
| D | 1-7/16 | 2 | 1-1/2 |
| E | 1-15/16 | 2-5/8 | 3-1/4 |
| F | 1 | 1-1/4 | 1-3/4 |
| G | 1 | 1-3/8 | 1-1/2 |
| H | 5/16 | 3/8 | 7/16 |
| Tool Bit Size | .12 x 7/8 x .5 | .19 x 1-1/4 x .62 | .24 x 1-1/2 x .75 |
|
Replacement Parts |
|||
| Tool Head | 6501 | 6526 | 6551 |
| Body | 6502A | 6527 | 6552 |
| Guide Bushing | 6503 | 6528 | 6553 |
| Lock Screw (2 Reqd.) | 5804 | 5829 | 5854 |
| Tool Bit | 6504 | 6529 | 6554 |
| Short Adjustment Screw (2 Reqd.) | 6506 | 6531 | 6530 |
| Long Adjustment Screw (2 Reqd.) | 6505 | 6530 | 6555 |
| Bushing Lock Screw | 6507 | 6506 | 6531 |