Lester Detterbeck Enterprises Ltd.

Model RT

Model RT

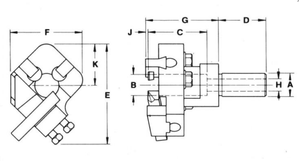
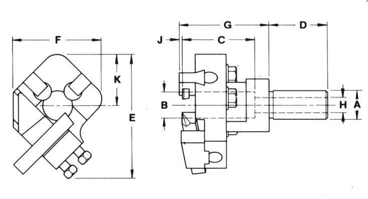
These rigid tools are designed to take a medium to heavy cut where a single pass cut is feasible, but not to exceed one-quarter of the stock diameter. The tool holder has two-axis adjustment, permitting proper orientation of tool bit to the workpiece, and ample space is provided for chip clearance and coolant flow. 

Individually adjustable rollers provide support, assure proper spindle-turret alignment, are set off-center away from each other to permit turning small diameters, and produce a burnished finish.

 

Model 000RT**** 00RT**** 0RT 2RT 3RT 4RT****
Standard. Ordering Number 5700 5040 5140 5240 5350 5300
With Extended Rollers 113356 113357 113358 113359
Dimensions
Turning Capacity 3/32 to 3/8 3/32 to 3/8 3/16 to 5/8 1/4 to 5/8 5/16 to 1-1/4 5/16 to 1-1/4
A 5/8 5/8 3/4 1 1-1/4 1-1/2
B 7/16 7/16 3/4 1 1-5/16 1-1/16
C 1-1/4 1-5/16 1-11/16 2-7/16 3-1/4 3-1/4
D 1-3/8 1-3/8 1-1/2 2 4 4
E 2-5/16 2-13/16 3-3/4 4-5/16 5-7/16 5-7/16
F 1-5/8 1-11/16 2-11/16 3-1/16 4-1/16 4-1/16
G 1-1/2 1-1/2 2-1/8 3-1/16 3-7/8 3-7/8
H 3/8 3/8 3/8 9/16 7/8 7/8
J 3/32 3/32 3/32 3/32 1/8 1/8
K 15/16 1-3/16 1-5/8 1-3/4 2-1/4 2-1/4
Tool Bit Size (SQ.) 1/4 1/4 3/8 1/2 1/2 1/2
Replacement Parts
Body 5701 5046 5146 5246 5351 51503
Tool Bit Holder 5702A 5002A 5102A 5202 5302 5302
Roller Block Assembly, Right ** 5707 5067 5167 5267 5307 5307
Roller Block Assembly, Left ** 5708 5068 5168 5268 5308 5308
Block Locking Screw 2 (Reqd.) 5719 5049 5149 5249 5319 5319
Block Locking Nut 2 (Reqd.) 6232 6232 6332 6332 6483 6483
Adjustment Screw 3 (Reqd.) 5734 7406 5134 5234 5334 5334
Holder Lock Screw 5035 5035 5135 5235 5335 5335
Lock Screw Washer 5743 5043 5143 5243 5343 5343
Tool Bit 5045 5045 5145 5245 5245 5245
Tool Bit Lock Screw 2 (Reqd.) 5737 5037 5137 5237 5337 5337
Tool Bit Lock Screw 5336 5336
Tool Bit Set Screw 1210 1210
Bushing Lock Screw 6236 5044 6344 5244 5344 5344
Roller And Pin Assembly * 105162 105163 105164 105165 105166 105166
Optional Parts
Roller Block Assy., Right Ex High 5709 5069 5169 5269 5309 5309
Roller Block Assy., Left Ex. High 5710 5070 5170 5270 5310 5310
Carbide Roller 5720C 5020C 5120C 5220C 5320C 5320C
Carbide Roller Pin 5725C 5025C 5125C 5225C 5325C 5325C
Spare Parts Kit** 113049 113050 113051 113052 113053 113053
  • *Included in roller block Assembly. See tooling components for complete list of parts.
  • **Roller Block Assy. Consists of Roller Block, Roller, Roller Pin and Lock screw. See tooling components for complete list of parts.
  • ***Includes 2 Roller and Pin assemblies, 1 Tool bit, 2 Adjustments Screws, 2 Tool Bit Lock Screw.
  • ****Non-Ground Tool supplied. For more information on grinding tool bit see Single Function Tools/Accessories.
  • *****Note: Min. Turning diameter is .130” when rollers are on finish diameter 3/32” diameter with rollers on the stock diameter of .130” plus.
Changing roller blocks: Upper and lower roller blocks are not interchangeable. Changing rollers: Rollers taper to a smaller diameter at the back. Note carefully in mounting. Extra-high roller blocks are available to provide support on the unturned diameter of the workpiece. Carbide rollers and pins are available for extended wear.

Looking for a specific part?

Get in touch so we can assist you.