Lester Detterbeck Enterprises Ltd.

Model SK – Cross Slide

Model SK – Cross Slide

Cross slide knurling tools are used on single-spindle screw machines, multi-spindle screw machines, turret lathes, and CNC lathes.

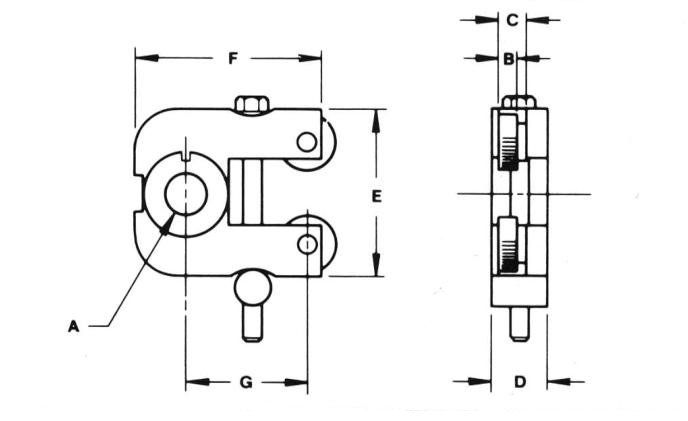
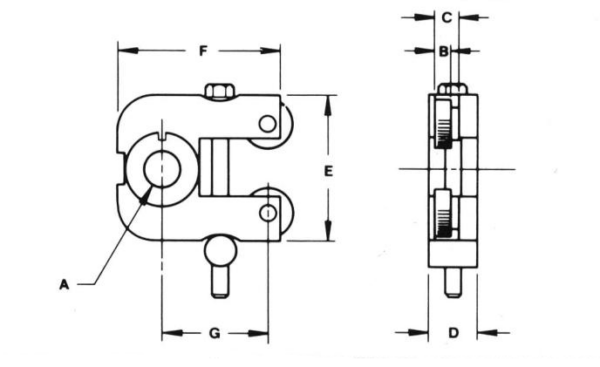
This tool has a floating, self-centering design to compensate for any center misalignment, and can be mounted on either front or back tool posts in the same manner as circular form tools.

Simple and easy to adjust, its design permits knurling close to the collet, and dual rollers provide support for the workpiece, eliminating the need for an auxiliary support tool.

Model OOSK OSK 2SK
Ordering Number 8900 8925 8950
 

Dimensions

Capacity 0 to 1/2 0 to 3/4 1/8 to 1-1/4
A 3/8-16 ½-13 5/8-11
B 3/16 1/4* 1/4*
C 3/16 3/8 3/8
D 5/8 3/4 3/4
E 1-1/2 1-3/4 2-1/4
F 1-13/16 2-3/16 2-1/2
G 1-5/32 1-7/16 1-5/8
Knurl Diameter 1/2 5/8 3/4
 

Replacement Parts

Lower Knurl Arm 8901 8926 8951
Upper Knurl Arm 8902 8927 8952
Bearing Stud 8903 8928 8953
Knurl Arm Spring 8908 8934 8956
Dog Pin 8907 8932 8932
Adjustment Screw 8905A 8930A 8954A
Adjustment Screw Nut 8909 8933 8933
Plug 8911 8911 8911
Lock Screw 8912 8935 8935
Knurl Roller Pin (2 Reqd.) 8904 8929 8929
Pin Lock Screw (2 Reqd.) 8910 8910 8910
Straight Knurl (2 Reqd.) 7818 (35 TPI) 7868 (29 TPI) 7918 (25 TPI)
Knurl Spacer (2 Reqd.) 8955 8955
 

Optional Parts

Carbide Roller Pin 8904C 8929C 8929C
  *Standard with tool. Tool will accept 3/8” wide knurls.

Looking for a specific part?

Get in touch so we can assist you.