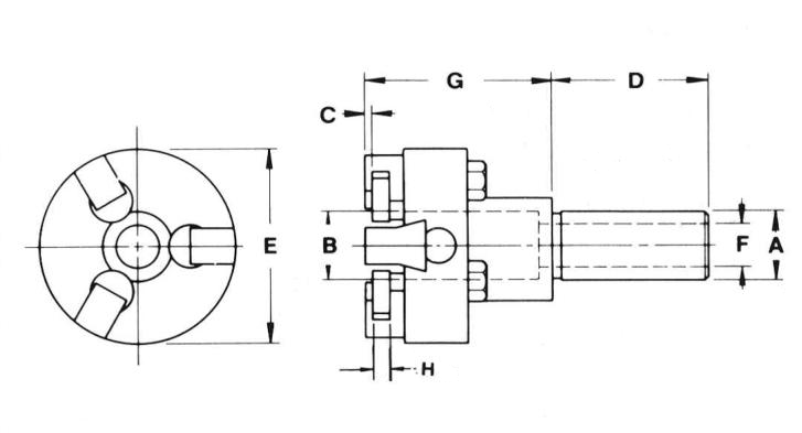
An ideal tool for use where a surface smoother than the usual machined finish is required. It is a rugged burnishing tool, easy to eliminate an extra operation.
Hardened adjustable rollers* exert pressure on the work surface to smooth out fine lines left by the turning tool.
Diameter reductions are minimal and depend upon material, work diameter, and surface condition:
Stainless steel .0004 to .0006
Cold drawn steel .0006 to .0008
Bronze .0007 to .0009
This tool can also be used for knurling by replacing the burnishing rollers and with knurling block assemblies.
*Rollers taper to a smaller diameter toward the shank end.
| Model | OOC | OC | 2C | OO-3KN | O-3KN | 2-3KN | 003RR | 03RR | 2-3RR |
| Ordering Number | 7400 | 7425 | 7450 | 113346 | 113347 | 113348 | 112152 | 112153 | 112154 |
|
Dimensions |
|||||||||
| Diameter | 1/16 – 3/8 | 3/32 – 9/32 | 1/8 – 15/16 | 1/16 – 3/8 | 3/32 – 19/32 | 1/8 – 15/16 | 1/16 – 9/32 | 3/32 – 19/32 | 1/8 – 15/16 |
| Length | 1-7/32 | 1-19/32 | 2-15/16 | 1-7/32 | 1-19/32 | 2-15/32 | 1-7/32 | 1-19/32 | 2-15/32 |
| A | 5/8 | 3/4 | 1 | 5/8 | 3/4 | 1 | 5/8 | ¾ | 1 |
| B | 7-/6 | 5/8 | 1 | 7/16 | 5/8 | 1 | 7/16 | 5/8 | 1 |
| C | 3/32 | 3/32 | 3/32 | 3/32 | 3/32 | 3/32 | 3/32 | 3/32 | 3/32 |
| D | 1-1/2 | 2-5/16 | 2-5/16 | 1-1/2 | 2-5/16 | 2-5/16 | 1-1/2 | 2-5/16 | 2-5/16 |
| E | 1-11/16 | 2-1/2 | 2-7/8 | 1-11/16 | 2-1/2 | 2-7/8 | 1-11/16 | 2-1/2 | 2-7/8 |
| F | 5/16 | 1/2 | 5/8 | 5/16 | 1/2 | 5/8 | 5/16 | ½ | 5/8 |
| G | 1-7/16 | 1-7/8 | 2-3/4 | 1-7/16 | 1-7/8 | 2-3/4 | 1-7/16 | 1-7/8 | 2-3/4 |
| H | 3/16 | 1/4 | 1/4 | 3/16 | 1/4 | 1/4 | 3/16 | ¼ | ¼ |
| Roller Diameter | 5/16 | 1/2 | 5/8 | 1/2 | 5/8 | 5/8 | 5/16 | ½ | 5/8 |
|
Replacement Parts |
|||||||||
| Body | 7401 | 7426 | 7451 | 7401 | 7426 | 7451 | 7401 | 7426 | 7451 |
| Block Lock Screw (3 Reqd.) | 7404 | 7429 | 7454 | 7404 | 7429 | 7454 | 7404 | 7429 | 7454 |
| Block Lock Nut (3 Reqd.) | 6232 | 6332 | 6332 | 6232 | 6332 | 6332 | 6232 | 6332 | 6332 |
| Block Adj. Screw (3 Reqd.) | 7406 | 7431 | 7456 | 7406 | 7431 | 7456 | 7406 | 7431 | 7456 |
| Lock Screw (3 Reqd.) | 7407 | 5039 | 5039 | 7407 | 5039 | 5039 | 7407 | 5039 | 5039 |
| Tightening Screw | 7408 | 7408 | 6444 | 7408 | 7408 | 6444 | 7408 | 7408 | 6444 |
| Roller Block Screw | 7409 | 5039 | 5039 | 7409 | 5039 | 5039 | 7409 | 5039 | 5039 |
|
Parts For Burnishing |
Parts For Knurling |
Parts For 3 Roller Rests |
|||||||
| Roller Block Screw | 7402 | 7427 | 7452 | 7412 | 7437 | 7452 | 7402 | 7427 | 7452 |
| Roller | 5020 | 5120 | 5220 | 112066 | 112068 | 112067 | |||
| Roller Pin | 5025 | 5125 | 5225 | 7415 | 5125 | 5225 | 5025 | 5125 | 5225 |
| Straight Knurl | 7818 | 7868 | 7868 | ||||||
| (35 TPI) | (29 TPI) | (29 TPI) | |||||||
|
Roller Block Assembly** |
Roller Pin Assembly** |
||||||||
| Burnishing Tool* | 7410 | 7435 | 7460 | 105164 | 105164 | 105165 | |||
| Knurling Tool* | 113334 | 113335 | 113336 | 113337 | 113338 | 113339 | |||
| Roller Rest* | 113340 | 113341 | 113342 | 113343 | 113344 | 113345 | |||