Balanced turning tools are used in the turrets of screw machines, turret lathes, and CNC lathes and are the best tools for rough turning. Balanced turning tools will remove a greater amount of material than any other turning tool available because of the rugged construction and two carbide cutting tools. Tools are always on center line, and the two-axis adjustment compensates for any misalignment between turret and workpiece. Adjustment is easily made by a fine adjusting screw to align the insert and correct misalignment between turret and workpiece.
The disposable carbide inserts are indexable with three cutting edges per insert and can be easily replaced in minutes by simply loosening the insert screw and inserting a new carbide insert. The new insert is automatically returned to the center line position and requires little or no adjustment to return to the proper turning diameter.
Approximately 80 percent of the material can be removed with one cutter, and the remaining material with the other cutter for finish turning. For rough turning, the cutter many be set so each insert removes only one-half of the required cut. This is especially productive when removing large amounts of material.
Standard carbide inserts have 1/64″ radius on corners. Carbide inserts with 1/32″ radius are also available. The inserts may be set in different manners, depending on the nature of the work and material, and on the preference of the operator.
| Model | OOBTT-C | OBTT-C | 2BTT-C |
| Ordering Number | 94600 | 94700 | 94800 |
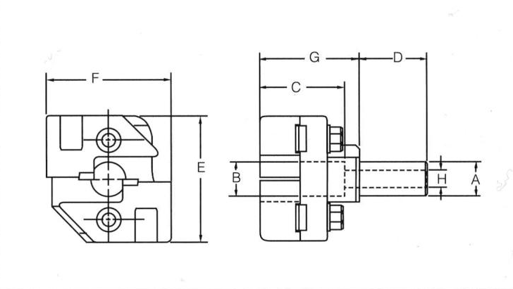
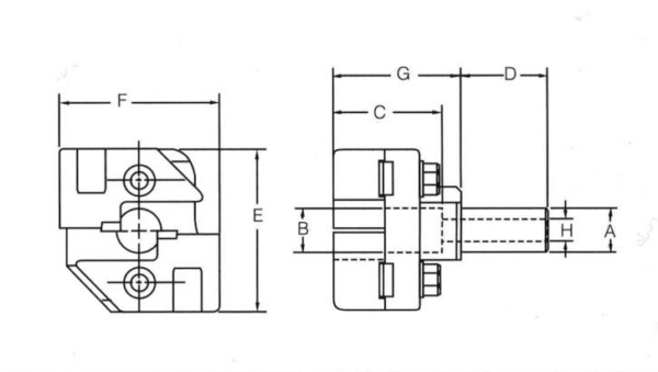
| Dimensions | |||
| Turning Capacity | .09 – .38 | .16 – .63 | .25 – .88 |
| A | 0.63 | 0.75 | 1 |
| B | 0.44 | 0.75 | 1 |
| C | 1.38 | 1.81 | 2.44 |
| D | 1.38 | 1.5 | 2 |
| E | 2.12 | 2.75 | 3.12 |
| F | 1.81 | 2.5 | 2.88 |
| G | 1.53 | 2.5 | 2.96 |
| H | 0.38 | 0.38 | 0.56 |
| Replacement Parts | |||
| Body | 112479 | 112480 | 112481 |
| Holder, Carbide Insert*** | 94604 | 94704 | 94804 |
| Adjustment Screw (2 Reqd.) | 7406 | 5134 | 5234 |
| Insert Holder Key | 51205 | 51305 | 51405 |
| Key Lock Screw | 51208 | 51308 | 51408 |
| Key Washer | 5043 | 5143 | 5243 |
| Holder Lock Screw*** | 51209 | 51309 | 51409 |
| Holder End Lock Screw | 51214 | 51214 | 51314 |
| Centering Screw | 51213 | 51313 | 51413 |
| Insert Lock Screw*** | 113223 | 113223 | 113224 |
| Carbide Inserts*** | 113272 | 113272 | 113230 |
| Wrench, Torx Lock*** | 113225 | 113225 | 113226 |
| Bushing Lock Screw | 5044 | 6344 | 5244 |