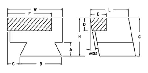
| CAT.NO. | H | W | L | A | B | C | D | E | F | ANGLE | GRADE |
| 3000C | 1-3/8 | 2 | 1-1/2 | 0 | 0 | 0 | 1/2 | 1/2 | 1-1/8 | 0° | C2 |
| 3000C-C6 | 1-3/8 | 2 | 1-1/2 | 0 | 0 | 0 | 1/2 | 1/2 | 1-1/8 | 0° | C6 |
| 3020C | 1-3/8 | 2 | 1-1/2 | 0 | 0 | 0 | 1/2 | 1/2 | 1-1/8 | 0° | C2 |
| 3020C-C6 | 1-3/8 | 2 | 1-1/2 | 0 | 0 | 0 | 1/2 | 1/2 | 2-1/8 | 0° | C6 |
| 3620C | 1-1/2 | 2-1/2 | 1-3/4 | 0 | 0 | 0 | 1/2 | 3/4 | 2 | 12° | C2 |
| Height “H” & Width “W” | + 1/32; – 0 |
| Length “L” | ± 1/16 |
| Dimension “A” | + 1/64; – 0 |
| Dimension “B” | ± .003 |
| Dimension “C” Offset | + .015; – .005 |
| Dimension “D” | ± 1/64 |
| Dimension “E” | ± 1/64 |
| Dimension “F” | ± 1/32 |
| Dimension “G” Equal H | + 0; ± 1/16 |