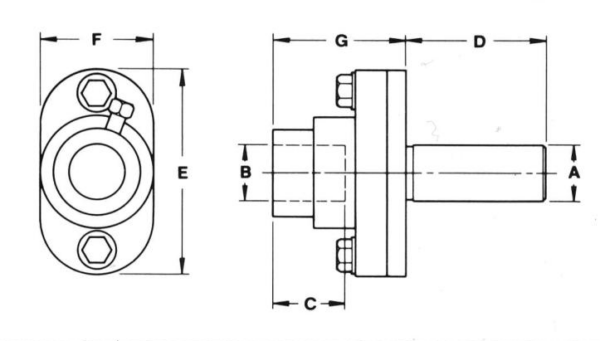
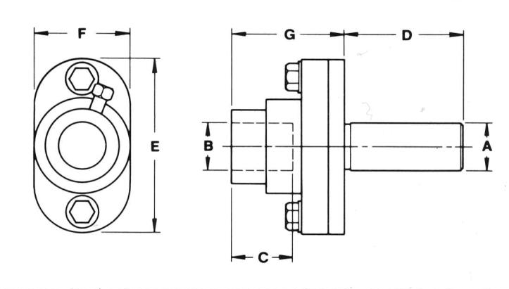
Adjustable non-releasing tap holders are used in reversing spindle automatic screw machines and CNC lathes. The tap is mounted in the tool holder directly or in an appropriately sized bushing; the holder assembly is adjustable to accurately align the tap with the workpiece.
The non-rotating tool holder is free to move axially, permitting the tap to lead itself after being started in the workpiece. Automatic spindle reversal withdraws the tap from the hole and a spring draws the tool holder back into the head when the tap clears the workpiece.
| Model | OOAT | OAT | 2AT |
| Ordering Number | 5800 | 5820 | 5850 |
| Dimensions | |||
| A | 5/8 | 3/4 | 1 |
| B | 1/2 | 5/8 | 1 |
| C | 5/8 | 7/8 | 1-1/16 |
| D | 1-1/8 | 1-1/2 | 2 |
| E | 1-15/16 | 2-5/8 | 3-1/4 |
| F | 1 | 1-1/4 | 1-3/4 |
| G | 1 | 1-7/16 | 1-1/2 |
| Replacement Parts | |||
| Tool Head | 5801 | 5826 | 5851 |
| Body | 5803A | 5828 | 5853 |
| Tool Holder | 5802A | 5827A | 5852A |
| Tool Lock Screw | 5810 | 5835 | 7727 |
| Lock Screw (2 Reqd.) | 5804 | 5829 | 5854 |
| Driver Pin (2 Reqd.) | 5809 | 5834 | 5859 |
| Tool Holder Shank | 5812 | 5837 | 5862 |
| Return Spring | 5805 | 5830 | 5855 |
| Spring Collar | 5807 | 5832 | 5857 |
| Collar Lock Pin | 5808 | 5833 | 5858 |
| Pull Out | .200 | 1/4 | 5/16 |