Lester Detterbeck Enterprises Ltd.

Model DRH

Model DRH

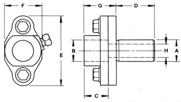
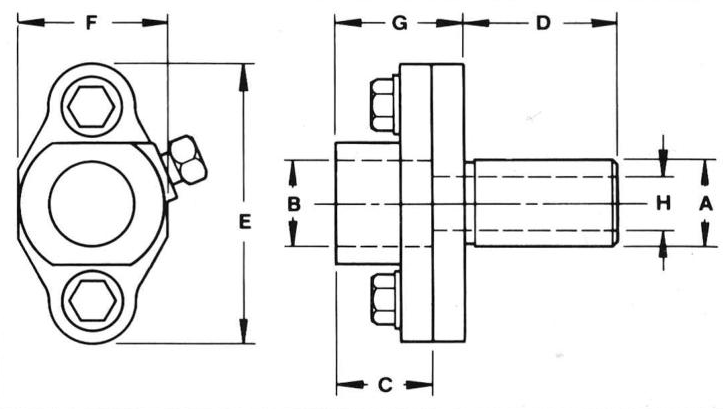
Adjustable holders are used for holding drills, reamers, and other cutting tools in screw machines, turret lathes, and CNC lathes. This precision holder is adjustable to accurately align the cutting tool with the workpiece.

The cutting tool is mounted directly in the tool head or in a bushing supplied with the holder, which can be machined to accept various size tool shanks. Rugged construction is designed to take the strain of heavy production runs. Available in long and short shanks.

Model 000DRH/S OODRH/L ODRH 2DRH/S 2DRH/L
Ordering Number 7770 7776 7780 7790 7796
    Dimensions    
A 5/8 5/8 3/4 1 1
B 1/2 1/2 5/8 1 1
C 5/8 5/8 13/16 1-1/8 1-1/8
D 1-1/8 1-7/16 2 1-3/4 2-1/2
E 1-15/16 1-15/16 2-5/8 3-1/4 3-1/4
F 1 1 1-1/4 1-3/4 1-3/4
G 7/8 7/8 1-1/8 1-1/2 1-1/2
H 3/8 3/8 7/16 5/8 5/8
    Replacement Parts    
Tool Head 7772A 7772A 7782 7792 7792
Body 7771A 7777A 7781 7791 7797
Tool Lock Screw 7702A 7702A 7727 7793 7793
Lock Screw (2 Reqd.) 7774 7774 7784 7794 7794
Lock Screw Washer (reqd.)     7785 7795 7795
Plug 7779 7779 7789 7799 7799

Looking for a specific part?

Get in touch so we can assist you.