Adjustable releasing tap holders are used in screw machines, turret lathes, CNC lathes, and reversing spindle automatic screw machines.
The tap is mounted in the tool holder directly or in a bushing; the holder assembly is adjustable to accurately align the tap with the workpiece. After it is started in the workpiece, the tap leads itself to a preset depth and draws the tool holder out of drive engagement with the tool head assembly, which permits the holder to rotate freely with the workpiece. Spindle reversal re-engages the tool holder, withdrawing the tap from the hole, and returns the tool holder to its original position.
The tool is easily changed from right to left-handed operation with a simple adjustment.
| Model | OOAR | OAR | 2AR | 3AR |
| Ordering Number | 6000 | 6025 | 6050 | 6075 |
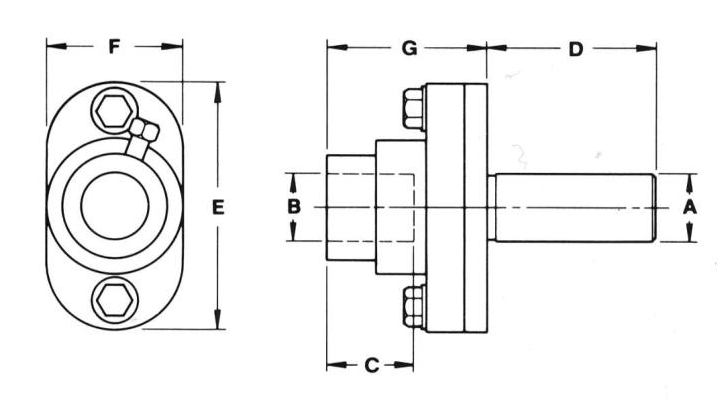
| Dimensions | ||||
| A | 5/8 | 3/4 | 1 | 1-1/4 |
| B | 1/2 | 5/8 | 1 | 1 |
| C | 3/4 | 15/16 | 1-5/16 | 1-3/16 |
| D | 1-1/8 | 2 | 2-1/2 | 3-1/4 |
| E | 2 | 2-7/16 | 3-7/16 | 4 |
| F | 1-1/8 | 1-3/8 | 2 | 2-1/4 |
| G | 1-3/8 | 1-11/16 | 2-3/8 | 2-5/8 |
| Pull Out | 3/32 | 1/8 | 1/8 | 1/8 |
| Replacement Parts | ||||
| Tool Head | 6001 | 6026 | 6051A | 6076 |
| Body | 6002 | 6027 | 6052 | 6077 |
| Tool Holder | 6003A | 6028A | 6053A | 6078 |
| Tool Lock Screw | 5810 | 6038 | 6063 | 6088 |
| Lock Screw (2 Reqd.) | 6005 | 6030 | 6055 | 6080 |
| Driver | 6004 | 6029 | 6054 | 6079 |
| Driver Stop | 6008 | 6033 | 6058 | 6083 |
| Driver Stop Spring | 6009 | 6034 | 6059 | 6084 |
| Reverse Pawl (2 Reqd.) | 6006 | 6031 | 6056 | 6081 |
| Pawl Spring (2 Reqd.) | 6007A | 6032A | 6057A | 6082A |
| Stop Collar | 6010 | 6035 | 6060 | 6085 |
| Collar Spacer Nut | 6012 | 6037 | 6062 | 6087 |
| Return Spring | 6011A | 6036A | 6061A | 6086A |